PCS - 3005

Cast Steel Ball Valve Three Piece Design (Flanged)

PCS - 3005

Cast Steel Ball Valve Three Piece Design (Flanged)

Salient Features
  • Complies with BS EN ISO 17292 (Formerly BS 5351) Design Standards.
  • Flanged Ends According to ANSI B16.5 Class 150 (Drilled).
  • Constructed with A Three-Piece Design.
  • Exceptional Quality and Performance.
Technical Data
  • Shell: 3.1 Mpa (31 Kg/Cm²G)

  • Seat: 2.1 Mpa (21 Kg/Cm²G)

  • Seat (Steam): 1.055 Mpa (10.55 Kg/Cm²G)
  • Maximum Working Temperature: 220°C

     
     
     
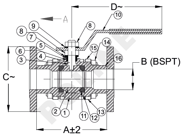
MATERIAL LIST
Part No Part Name Material Specification Qty
1 Body Cast Steel ASTM A 216 Gr. WCB 1
2 Ball Stainless Steel ASTM A 276 Type 304 / ASTM A 351 Gr. CF8 1
3 Thrust Washer PTFE 35% Carbon Filled - 1
4 Stem Stainless Steel ASTM A 276 Type 316 1
5 Packing Ring PTFE 35% Carbon Filled - 2
6 Gland Stainless Steel ASTM A 276 Type 304 1
7 Cup Washer Stainless Steel ASTM A 276 Type 304 2
8 Nut H.T Steel ASTM A 194 Gr. 2H 2
9 Spring Washer Spring Steel EN 47 Gr. B 1
10 Lever Carbon Steel - 1
11 Body Seat Ring PTFE - 2
12 Gasket PTFE - 2
13 Spring Washer Spring Steel EN 47 Gr. B 8
14 Studs Alloy Steel ASTM A 193 Gr. B7 4
15 Nuts H.T Steel ASTM A 194 Gr. 2H 8
16 End Connector Cast Steel ASTM A 216 Gr. WCB 2
SUITABLE FOR
GASES AIR STEAM OIL WATER
SIZE DESCRIPTION
Size (mm) A ±2 ØB C~ D~
15 108 15 89 150
20 118 20 95 150
25 127 25 108 160
32 140 32 117 160
40 165 40 127 202
50 178 50 152 202
65 191 63.5 178 250
80 203 76 190 335
100 229 100 229 335
125 254 125 254 335
150 267 150 279 370
200 292 200 343 370
250 330 250 406 370

 

The information provided here serves as guidelines only and is subject to possible modification.
Whatspp Now For Inquiry
Call Now For Inquiry