PCI-2001

Butterfly Valve PN 1.6 with SG Iron Disc - Lever Operated

PCI-2001

Butterfly Valve PN 1.6 with SG Iron Disc - Lever Operated

Salient Features
  • Body Lining Integrally Moulded and Bonded To Body.
  • One Piece Body Construction
  • Working Pressure: 16 Bar
  • Valves Are Bi-Directional
  • Valve Shell Have Moulded Raised Face.
  • Tight Shut Off Valve
Technical Data
  • Shell : 2.4 MPa
  • Seat : 1.76 MPa
  • Working Pressure: 1.6 MPa
  • Working Temperature: 90°C 
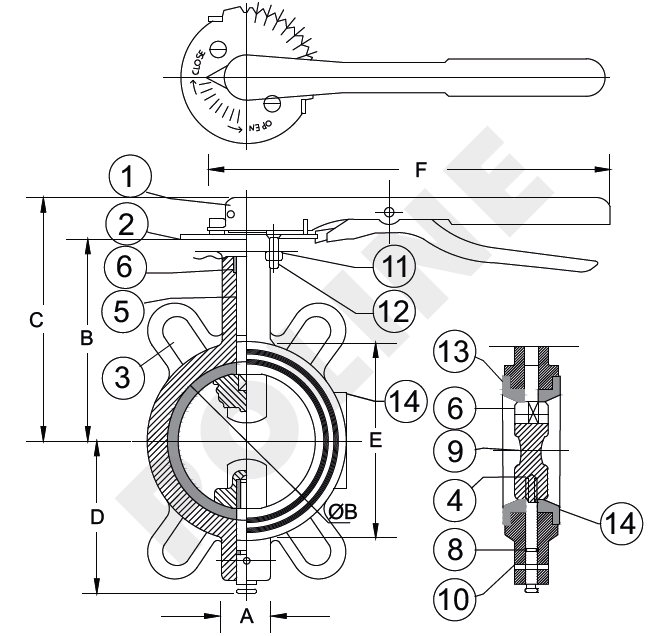
MATERIAL LIST
Part No Part Name Material Specification Qty
1 Flow Control Lever Carbon Steel (Powder Coated) - 1
2 Notch Plate Carbon Steel (Powder Coated) - 1
3 Body Cast Iron IS 210 FG 200 1
4 Disc S.G. Iron (Epoxy Coated) IS 1865 Gr. 400/15 1
5 Upper Stem Stainless Steel IS 6603 Gr.12 Cr 12 1
6 Packing Bush PTFE - 1
7 Lower Stem Stainless Steel IS 6603 Gr.12 Cr 12 1
8 ‘O’ Ring Nitrile Rubber IS 5192-1 1
9 Bush PTFE BS EN 12086-1 1
10 L-Key Screw Carbon Steel - 1
11 C -Sunk Screw & Nuts Carbon Steel - 1
12 Locking Washer Spring Steel - 2
13 Body Lining EPDM/Nitrile IS 5192-1 1
14 Name Plate Aluminium - 1
SUITABLE FOR
GASES AIR STEAM OIL WATER
SIZE DESCRIPTION
Size (mm) A B C D E F
40 33 108 129 52 40 200
50 43 118 139 64 50 200
65 46 126 147 72 65 200
80 46 132 153 80 80 200
100 52 145 169 96 100 240
125 56 166 190 108 125 240
150 56 176 202 123 150 280
200 60 205 235 151 200 355

 

The information provided here serves as guidelines only and is subject to possible modification.
Whatspp Now For Inquiry
Call Now For Inquiry