PCI-2005

Butterfly Valve Wafer Type PN1.6 with Pneumatic Actuator

PCI-2005

Butterfly Valve Wafer Type PN1.6 with Pneumatic Actuator

Salient Features
  • Design Standard IS 13095.
  • Wafer Type
  • Pneumatic Actuator Operated
  • Stainless Steel disc which is accurately guided between the two steams.
  • Integrally moulded rubber lining
  • Compliant with B.M.S (Building Management System).
  • Can be provided with extended wire for ease of installation.
  • IP 67 protection available for outdoor application.
  • Integrally moulded rubber lining
  • Two piece steam design.
  • Compatible to sandwich between flanges as per BS 10 Table D,E,F ASA Class 150
Technical Data
  • Shell : 2.4 MPa
  • Seat : 1.76 MPa
  • Working Pressure: 1.6 MPa
  • Working Temperature: 90°C 
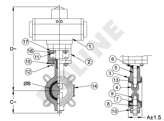
MATERIAL LIST
Part No Part Name Material Specification Qty
1 Pneumatic Actuator - - 1
2 Actuator Base Carbon Steel - 1
3 Body Cast Iron IS 210 FG 200 1
4 Disc Stainless Steel IS 3444 Gr.1 / ASTM A351 Gr.CF8 1
5 Upper Stem Stainless Steel IS 6603 Gr.12 Cr 12 1
6 Packing Bush Bronze IS 318 Gr. LTB 2 1
7 Lower Stem Stainless Steel IS 6603 Gr.12 Cr 12 1
8 ‘O’ Ring Nitrile Rubber IS 5192-1 1
9 Bush PTFE BS EN 12086-1 1
10 L-Key Screw Carbon Steel - 1
11 Studs For Actuator Carbon Steel - 1
12 Locking Washer Spring Steel - 1
13 Body Lining EPDM/ Nitrile IS 5192-1 1
14 Name Plate Aluminium - 1
15 L-Key Bolts & Nuts Carbon Steel - 4 Each
16 Nuts Carbon Steel - 4
17 Spring Washer Spring Steel - 4
SUITABLE FOR
GASES AIR STEAM OIL WATER
SIZE DESCRIPTION
Size (mm) A ØB C D
40 33 40 57 265
50 43 53 73 275
65 46 67 80 290
80 46 81 88 295
100 52 101 110 325
125 56 127 122 372
150 56 151 151 400
200 60 201 180 457
250 68 252 220 516
300 78 301 250 540

 

The information provided here serves as guidelines only and is subject to possible modification.
Whatspp Now For Inquiry
Call Now For Inquiry