PB-2012
Cast Iron Ball Valve Three Piece Design (Flanged)
PB-2012
Cast Iron Ball Valve Three Piece Design (Flanged)
Salient Features
- Design Standard BS EN ISO 17292 (BS5351)
- Flanged Ends to ANSI B16.5 Class-150 (Drilled)
- Three Piece Design
- Superb in Quality and Performance.
- Testing & Inspection Standard : 598
Technical Data
- Shell : 31 kg/cm²g (440 psig)
- Seat : 21 kg/cm²g (300 psig)
- Seat (Steam) : 10.55 kg/cm²g (150 psig)
- Maximum Working Temperature: 220°C
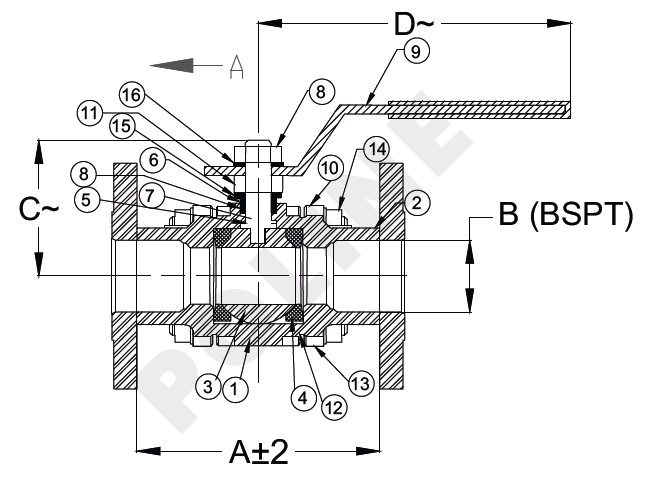
| MATERIAL LIST |
| Part No |
Part Name |
Material |
Specification |
Qty |
| 1 |
Body |
Cast Iron |
IS 210 FG 220 |
1 |
| 2 |
End Connector |
Cast Iron |
IS 6603 |
2 |
| 3 |
Ball |
Stainless Steel |
- |
1 |
| 4 |
Body Seat Ring |
PTFE |
IS 6633 |
1 |
| 5 |
Thrust Washer |
PTFE |
BS EN 12086-1 |
1 |
| 6 |
Gland Packing |
PTFE |
IS 1367 |
1 |
| 7 |
Stem |
Stainless Steel |
ASTM A 276 Type 304 |
1 |
| 8 |
Gland |
Carbon Steel |
IS 1363 |
1 |
| 9 |
Lever |
Carbon Steel |
IS 1367 |
1 |
| 10 |
Nuts |
Carbon Steel |
- |
8 |
| 11 |
Gland Nut |
Carbon Steel |
- |
1 |
| 12 |
Gasket |
PTFE |
EN 47 Gr.B |
2 |
| 13 |
Spring Washer |
Spring Steel |
ASTM A 193 Gr.B7 |
8 |
| 14 |
Spring Steel |
Alloy Steel |
IS 1363 |
4 |
| 15 |
Cup Washer |
Stainless Steel |
EN 47 Gr.B |
1 |
| SUITABLE FOR |
| GASES |
AIR |
STEAM |
OIL |
WATER |
| |
|
|
|
|
| Size (mm) |
A ±2 |
Ø B |
C~ |
D~ |
| 15 |
108 |
15 |
38 |
150 |
| 20 |
117 |
20 |
40 |
150 |
| 25 |
127 |
25 |
57 |
160 |
| 32 |
140 |
32 |
65 |
160 |
| 40 |
165 |
40 |
75 |
202 |
| 50 |
178 |
50 |
80 |
202 |
| 65 |
191 |
63.5 |
125 |
250 |
| 80 |
203 |
76 |
137 |
335 |
| 100 |
229 |
100 |
158 |
335 |
The information provided here serves as guidelines only and is subject to possible modification.