PCI-2005

Butterfly Valve Wafer Type PN16 with Pneumatic Actuator

PCI-2005

Butterfly Valve Wafer Type PN16 with Pneumatic Actuator

Product Overview

The Poline PN16 Wafer Butterfly Valve with Pneumatic Actuator is designed for automated flow control and shut-off in water, HVAC, fire fighting, utility, and industrial pipeline systems. Manufactured as per IS 13095, this wafer type butterfly valve combines reliable valve performance with fast and efficient pneumatic actuation.

Featuring a stainless steel disc, integrally moulded resilient rubber lining, and compact wafer body design, the valve delivers tight sealing, smooth operation, and long service life. The pneumatic actuator enables remote operation and can be integrated with BMS (Building Management Systems) for automated control.

Suitable for indoor and outdoor installations with IP67 protection option.

Key Features

  • Manufactured as per IS 13095
  • Wafer type compact design for easy flange mounting
  • Pneumatic actuator operated for automatic control
  • Stainless steel disc for corrosion resistance and durability
  • Integrally moulded rubber lining for leak-tight shut-off
  • BMS compatible for building automation systems
  • IP67 actuator protection available for outdoor use
  • Optional extended shaft/wire for convenient installation
  • Suitable between flanges as per:
    • BS10 Table D / E / F
    • ASA Class 150

Technical Specifications

  • Shell : 2.4 MPa
  • Seat : 1.76 MPa
  • Working Pressure: 1.6 MPa
  • Working Temperature: 90°C 

Applications

The Poline Pneumatic Butterfly Valve is widely used in:

  • HVAC chilled water systems
  • Commercial buildings
  • Water treatment plants
  • Fire fighting systems
  • Industrial process automation
  • Cooling water systems
  • Utility pipelines
  • Building Management Systems (BMS)

Why Choose Poline Pneumatic Butterfly Valves?

Poline Valves offers dependable automated valve solutions engineered for performance, low maintenance, and long service life. Our pneumatic butterfly valves are ideal for modern infrastructure and industrial control systems requiring reliable remote operation.

Request a Quote

For pricing, actuator options, automation requirements, OEM supply, or bulk orders for PN16 Wafer Butterfly Valve with Pneumatic Actuator, contact Poline Valves today.

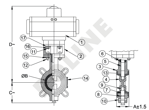
MATERIAL LIST
Part No Part Name Material Specification Qty
1 Pneumatic Actuator - - 1
2 Actuator Base Carbon Steel - 1
3 Body Cast Iron IS 210 FG 200 1
4 Disc Stainless Steel IS 3444 Gr.1 / ASTM A351 Gr.CF8 1
5 Upper Stem Stainless Steel IS 6603 Gr.12 Cr 12 1
6 Packing Bush Bronze IS 318 Gr. LTB 2 1
7 Lower Stem Stainless Steel IS 6603 Gr.12 Cr 12 1
8 ‘O’ Ring Nitrile Rubber IS 5192-1 1
9 Bush PTFE BS EN 12086-1 1
10 L-Key Screw Carbon Steel - 1
11 Studs For Actuator Carbon Steel - 1
12 Locking Washer Spring Steel - 1
13 Body Lining EPDM/ Nitrile IS 5192-1 1
14 Name Plate Aluminium - 1
15 L-Key Bolts & Nuts Carbon Steel - 4 Each
16 Nuts Carbon Steel - 4
17 Spring Washer Spring Steel - 4
SUITABLE FOR
GASES AIR STEAM OIL WATER
SIZE DESCRIPTION
Size (mm) A ØB C D
40 33 40 57 265
50 43 53 73 275
65 46 67 80 290
80 46 81 88 295
100 52 101 110 325
125 56 127 122 372
150 56 151 151 400
200 60 201 180 457
250 68 252 220 516
300 78 301 250 540

 

The information provided here serves as guidelines only and is subject to possible modification.
Whatspp Now For Inquiry
Call Now For Inquiry